| Название | Описание | |
|---|---|---|
|
Фланцевые разборные муфты различных типов Эластичную муфту часто необходимо встроить в нестандартный привод, именно для этих случает существут целый ряд конструкций полумуфт с фланцами. Полумуфта с фланцем может соединяться с обычнйо полумуфтой с цилиндрическим отверстием. Это делает Rotex по-настоящему универсальным продуктом! |
Кол-во: |
Фланцевые разборные муфты Rotex CF, CFN, DF и DFN
Приводная муфта Rotex CF, CFN, DF и DFN - компенсирующая муфта кулачкового типа со звездочкой. Материал звездочки обеспечивает максимальный ресурс муфты. Характеристики муфты Rotex CF, CFN, DF и DFN: температуры работы от -40 до +250 градусов; компенсирует большие перекосы гашение крутильных колебаний; устойчивость на пролом; хорошие динамические характеристики; взрывобезопасность (полное соответствие 94/9/ЕС). Муфта Rotex CF, CFN, DF и DFN хорошо предохраняет привод от динамических перегрузок и ударов




Фланцевые разборные муфты различных типов
|
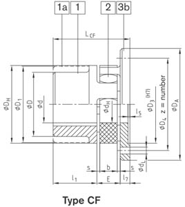
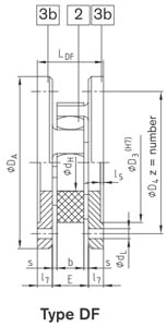
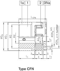
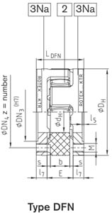
ROTEX® CF, CFN (No. 005) и DF, DFN (No. 006)
|
|||||||||||||||||||||||
|
Типоразмер
|
Ø d
Ø D
Ø D1
|
Общие размеры
|
Размеры исполнений CF и DF
|
Размеры исполнений CFN и DFN
|
|||||||||||||||||||
|
dh
|
dh
|
l1
|
e
|
s
|
b
|
l5
|
l7
|
da
|
d3
|
d4
|
z
|
dl
|
lCF
|
lDF
|
DN3
|
dn4
|
m
|
z
|
Pitch
|
lCFN
|
lDFN
|
||
|
24
|
Стандартный ряд отверстий
|
55
|
27
|
30
|
18
|
2,0
|
14
|
1,5
|
8
|
80
|
55
|
65
|
5
|
4,5
|
56
|
34
|
36
|
45
|
m5
|
8
|
8x45°
|
56
|
34
|
|
28
|
65
|
30
|
35
|
20
|
2,5
|
15
|
1,5
|
10
|
100
|
65
|
80
|
6
|
6,6
|
65
|
40
|
44
|
54
|
M6
|
8
|
65
|
40
|
||
|
38
|
80
|
38
|
45
|
24
|
3,0
|
18
|
1,5
|
10
|
115
|
80
|
95
|
6
|
6,6
|
79
|
44
|
54
|
66
|
m8
|
8
|
79
|
44
|
||
|
42
|
95
|
46
|
50
|
26
|
3,0
|
20
|
2,0
|
12
|
140
|
95
|
115
|
6
|
9,0
|
88
|
50
|
65
|
80
|
M8
|
12
|
16x22,5°
|
88
|
50
|
|
|
48
|
105
|
51
|
56
|
28
|
3,5
|
21
|
2,0
|
12
|
150
|
105
|
125
|
8
|
9,0
|
96
|
52
|
75
|
90
|
m8
|
12
|
96
|
52
|
||
|
55
|
120
|
60
|
65
|
30
|
4,0
|
22
|
2,0
|
16
|
175
|
120
|
145
|
8
|
11,0
|
111
|
62
|
84
|
102
|
M10
|
8
|
8x45°
|
111
|
62
|
|
|
65
|
135
|
68
|
75
|
35
|
4,5
|
26
|
2,0
|
16
|
190
|
135
|
160
|
10
|
11,0
|
126
|
67
|
96
|
116
|
m10
|
12
|
16x22,5°
|
126
|
67
|
|
|
75
|
160
|
80
|
85
|
40
|
5,0
|
30
|
2,5
|
19
|
215
|
160
|
185
|
10
|
13,5
|
144
|
78
|
112
|
136
|
M12
|
15
|
20x18°
|
144
|
78
|
|
|
90
|
200
|
100
|
100
|
45
|
5,5
|
34
|
3,0
|
20
|
260
|
200
|
225
|
12
|
13,5
|
165
|
85
|
145
|
172
|
m16
|
15
|
165
|
85
|
||
|
100
|
225
|
113
|
110
|
50
|
6,0
|
38
|
4,0
|
25
|
285
|
225
|
250
|
12
|
13,5
|
185
|
100
|
165
|
195
|
m16
|
15
|
185
|
100
|
||
|
110
|
255
|
127
|
120
|
55
|
6,5
|
42
|
4,0
|
26
|
330
|
255
|
290
|
12
|
18,0
|
201
|
107
|
180
|
218
|
m20
|
15
|
201
|
107
|
||
|
125
|
290
|
147
|
140
|
60
|
7,0
|
46
|
5,0
|
30
|
370
|
290
|
325
|
16
|
18,0
|
230
|
120
|
215
|
252
|
M20
|
15
|
230
|
120
|
||
|
140
|
320
|
165
|
155
|
65
|
7,5
|
50
|
5,0
|
34
|
410
|
320
|
360
|
16
|
22,0
|
254
|
133
|
245
|
282
|
m20
|
15
|
254
|
133
|
||
|
160
|
370
|
190
|
175
|
75
|
9,0
|
57
|
5,0
|
38
|
460
|
370
|
410
|
16
|
22,0
|
288
|
151
|
280
|
325
|
m24
|
15
|
288
|
151
|
||
|
180
|
420
|
220
|
195
|
85
|
10,5
|
64
|
5,5
|
40
|
520
|
420
|
465
|
16
|
26,0
|
320
|
165
|
330
|
375
|
m24
|
18
|
24x15°
|
320
|
165
|
|
Фланцевые разборные муфты различных типов
Форма заказа
|
ROTEX 90
|
СF
|
98 Sh A
|
1
|
EN-GJL-250
|
Ø 34
|
|
Типоразмер
|
Исполение
|
Твердость по Шор
Зубчатого венца
|
Исполнение
полумуфты
|
Материал
|
Диаметр
вала
|