| Название | Описание | |
|---|---|---|
|
Упруго-компенсирующие муфты с диском или барабаном (для тормоза) Исполнение эластичной муфты вместе с диском или барабаном для тормоза позволяет значиттельно сэкономить место и избежать дополнительного элемента привода. Надежная фиксация на полумуфте позволяет уверенно воспринять тормозной момент. Rotex может комплектоваться диском или барабаном разных размеров. |
Кол-во: |
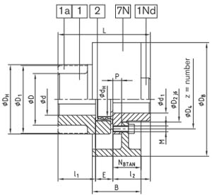
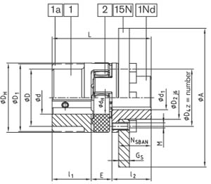
Упруго-компесирующие муфты с диском или барабаном (для тормоза) Rotex BTAN SBAN
Приводная муфта Rotex BTAN SBAN - компенсирующая муфта кулачкового типа со звездочкой. Материал звездочки обеспечивает максимальный ресурс муфты. Характеристики муфты Rotex BTAN SBAN: температуры работы от -40 до +250 градусов; компенсирует большие перекосы гашение крутильных колебаний; устойчивость на пролом; хорошие динамические характеристики; взрывобезопасность (полное соответствие 94/9/ЕС). Муфта Rotex BTAN SBAN также предохраняет привод от динамических перегрузок и ударов
![]() |
![]() |
|
| Муфта ROTEX c тормозным барабаном исполнение BTAN |
|

